Sortiment
Top 10 produktů
- HMOŽDINKA uzlovací průměr 8mm hranatá
- ZÁMEK zadlabací 24026 P-L pro vložku 80/90 HOBES bílý ZN
- HMOŽDINKA uzlovací průměr 10mm hranatá
- Větrací mřížka kruhová pr.110mm HACO bílá 0407
- ZÁVĚS dveřní TRIO 15 TKZ žlutý zinek
- ZÁVORA uzamykatelná UZ 220+ TOKOZ 3klíče
- TĚSNĚNÍ samolepící D100/H (profil D) TESA [bal 100m]
- KOVÁNÍ R101 bezpečnostní bez překrytky fab 90mm Tb3 F1 stříbrný
- HMOŽDINKA uzlovací průměr 12mm hranatá
- HMOŽDINKA průměr 8mm (1000)
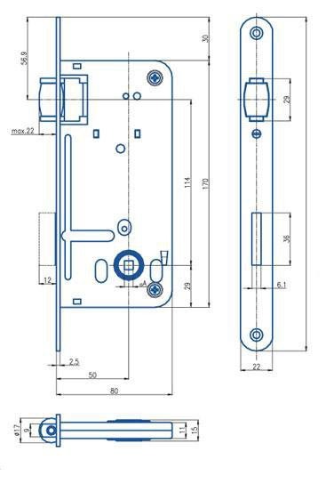
ZÁMEK 545 P-L zadlabací válečkový 90/80mm bZn *
Popis zboží:
zádlab: 80mm dorn: 50mm trn: 6x6mm (pouze spodní) čelo:230x22mm jednozápadový bez převodu
Vložení do košíku
Vyčkejte na dokončení vložení.
Můj účet
Prosím, čekejte!
Probíhá přihlášení a stažení cen.
Rychlý nákup
Můj košík
| Váš košík je prázdný. |
Zboží se zadaným kódem neexistuje.
