- HMOŽDINKA uzlovací průměr 8mm hranatá
- ZÁMEK zadlabací 24026 P-L pro vložku 80/90 HOBES bílý ZN
- HMOŽDINKA uzlovací průměr 10mm hranatá
- Větrací mřížka kruhová pr.110mm HACO bílá 0407
- ZÁVĚS dveřní TRIO 15 TKZ žlutý zinek
- ZÁVORA uzamykatelná UZ 220+ TOKOZ 3klíče
- TĚSNĚNÍ samolepící D100/H (profil D) TESA [bal 100m]
- KOVÁNÍ R101 bezpečnostní bez překrytky fab 90mm Tb3 F1 stříbrný
- HMOŽDINKA uzlovací průměr 12mm hranatá
- HMOŽDINKA průměr 8mm (1000)
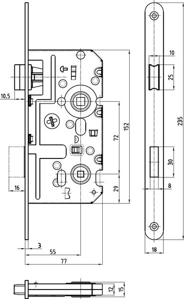
ZÁMEK magnetický K 342 P-L WC 72/77/55 NEREZ
Popis zboží:
zádlab: 77mm
rozteč: 72mm
dorn: 55mm
trn: 8x8mm + 6x6mm
čelo:235x18mm
jednozápadový
bez převodu
U magnetických zámků je nutné použít také speciální protiplech!!
Můžete si vybrat z těchto možností:
hos470 PROTIPLECH K340 k magnetickému zámku dlouhý úplný NEREZ
nebo
hos471 PROTIPLECH K340 magnetickému zámku krátký úplný NEREZ
Zámek funguje na principu magnetu. Díky magnetu střelka při dovírání dveří vyskočí ze zámku do protiplechu a dveře jsou zajištěny proti otevření. Magnet skrytý v protiplechu drží střelku v zavřeném stavu ve vysunuté poloze. Při otevírání dveří
- stiskem kliky zajede střelka do zámku a dveře je možné lehce otevřít.
Vložení do košíku
Vyčkejte na dokončení vložení.
Prosím, čekejte!
Probíhá přihlášení a stažení cen.
| Váš košík je prázdný. |
